JABSCO® - Sistemi DUAL Max serie 31670-00**
| Scarica documento |
JABSCO® - DUAL-Max serie 31670- . pdf (576.93 KB)
|
Manuali JABSCO |
Jabsco Dual Max System Serie 31670-0000 |
||||
|
Ex articolo: #30670-0092/94*** Jabsco Dual Max System Modello
|
||||
|
Sistema automatico a due stadi con serbatoio di accumulo e filtri Pumpgard ™.
Ideale per imbarcazioni da diporto e commerciali con elevata domanda d'acqua.
|
||||
|
31670-0092 0213167012
|
12V DC, fusibile 20 amp, 15 amp draw maximum | |||
| 31670-0094 0213167024 | 24V DC, fusibile10 amp, 7.5 amp draw maximum | |||
|
|
||||
| PORTATA | 28.4 LPM (7.5 GPM) | |||
| PRESSIONE DI SPEGNIMENTO | 40 psi (2,8 bar). | |||
| RACCORDI | Tre da 3/4 "(19mm) a gomito | |||
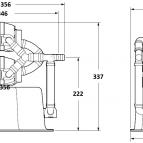
| DIMENSIONE | l.35,6 cm x w19,7 cm x h.33,7 cm | |||
| PESO | 6,8 kg | |||
|
FLOJET® - Kit Valvole 20407-030 anche JABSCO® - Kit Valvole 18911-7030 1072040730 20407030 Kit valvole Quad (Gruppo 2 dell'esploso)...
|
|
0291891502 Kit testa Parmax 4 1 18915-9002 Kit Riparazione (Gruppo #2, #3 e #8 dell'...
|
|
18912-3040 Kit Diaframma (Gruppo 3 dell'esploso)...
|
|
Jabsco- Pressostato 40 PSI 18916-1040 *18916-1040 0291891640 Pressostato Parmax 1,9/2,9 40PSI Riutilizzare il coperchio...
|
|
Jabsco- Pressostato 25 PSI 18916-1025 Riutilizzare il coperchio dell'interruttore esistente sulle pompe serie 82400, 82500 e 82600....
|
|
art. 30573-0000 Accumulatore 1 litro Questo serbatoio d'accumulo è adatto all' installazione in qualsiasi impianto d' acqua in pressione. Tutte le pompe a...
|
|
46400-0010 Pumpgard™ Filtro di protezione pompa - Portagomma da 3/4" a 90° su connettore diretto alla pompa (Plug-in) FLOJET art.0174 0010 Filetto...
|
|
JABSCO_art.30642-1000 Raccordo a 90° portagomma da 3/4"-19mm. e connettore diretto alla pompa (Plug-in)...
|
|
JABSCO_art.30649-1000 Raccordo filetto maschio da 1/2" e connettore diretto alla pompa (Plug-in)...
|
|
Coppia di Clip a scatto per connettori di carico e mandata su pompe Jabsco e Flojet "Formato standard".
|
Prodotti simili
- 1 di 20
- seguente ›













