Quick® - TCD 2022 Comandi remoti per sistemi elettrici on/off
|
Thrusters - Accessori e comandi |
|||||||||||||||||||||||
| Comandi remoti | |||||||||||||||||||||||
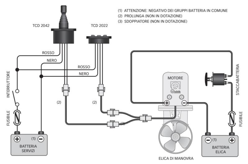
| I comandi remoti della serie TCD sono stati progettati per comandare i propulsori di prua o di poppa. Prodotti da Quick®. | |||||||||||||||||||||||
![]()
▶
Pannello di controllo TCD 2022 |
|||||||||||||||||||||||
ex pannello di controllo TCD 1022
Comando elica a pulsanti
Permette di controllare 1 singola elica di manovra tramite pulsanti. Altri importanti vantaggi che i comandi remoti della serie TCD offrono sono: |
|||||||||||||||||||||||
|
|||||||||||||||||||||||
|
|||||||||||||||||||||||
|
|
|||||||||||||||||||||||
Nessuno
|
TCDEX005 Prolunga comandi TCD/TMS/TSC - 0,5 m
TCDEX01 Prolunga comandi TCD/TMS/TSC - 1 m
TCDEX03 Prolunga comandi TCD/TMS/TSC - 3 m TCDEX06 Prolunga comandi TCD/TMS/TSC - 6 m
TCDEX12 Prolunga comandi TCD/TMS/TSC - 12 m
TCDEX18 Prolunga comandi TCD/TMS/TSC - 18 m TCDEX24 Prolunga comandi TCD/TMS/TSC - 24 m |
|||
|
TCDSP Sdoppiatore comandi TCD
![]()
ADP RT Adattatore RRC/TCD
KPS120M4 Kit protezione termica BTQ
|
|||
FVSCJTCD1040A00 CAPPUCCIO JOYSTICK TCD1042 - TCD1044 |
|||
|
Radiocomando tascabile - 4 canali (Left/Right - Left/Right) - 434MHz
PW4
Radiocomando tascabile - 4 canali (Up/Down - Left/Right) - 434MHz
|
|||
|
Radiocomando tascabile - 4 canali (Left/Right - Left/Right) - 913MHz
PW94
Radiocomando tascabile - 4 canali (Up/Down - Left/Right) - 913MHz
Misure: 60 x 47 x 23mm
|
|||
R04 Ricevitore radiocomando - 4 canali - 434MHzR06 Ricevitore radiocomando - 6 canali - 434MHz R904 Ricevitore radiocomando - 4 canali - 913MHz R906 Ricevitore radiocomando - 6 canali - 9R13MHz |
|||
TSC Comando interruttore linea elicheTMS Interruttore linea eliche TMSSP Sdoppiatore per TMS PSS24 Parallel serial switch 12-24V PSS48 Parallel serial switch 24-48V |
Prodotti simili
- 1 di 4
- seguente ›






FVSCJTCD1040A00 CAPPUCCIO JOYSTICK TCD1042 - TCD1044



R04 Ricevitore radiocomando - 4 canali - 434MHz
TSC Comando interruttore linea eliche